Der Warnblinker-Blinker-Tagfahrlicht-Parklicht-Rechner im Saporoshez
Stand: 24.01.2021




Hallo zusammen,

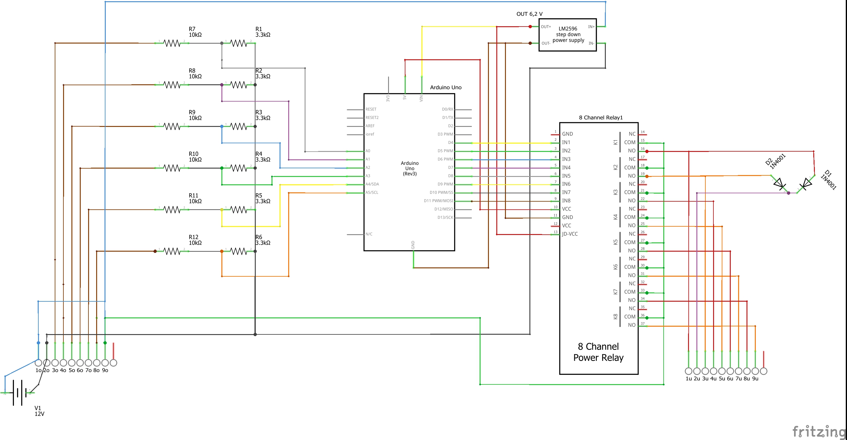
einfach aus Spaß habe ich auf Grundlage eines Arduino Uno für meinen Saporoshez 968 einen Warnblinker-Blinker-Tagfahrlicht-Parklicht-Rechner gebaut.

Der alte Opel Rekord D meines Vaters hatte eine so genannte Parklichtschaltung:
Abhängig von der Stellung des Blinkerhebels leuchtete, wenn ansonsten das Licht und Zündung aus waren, entweder nur das linke oder das rechte Standlicht. So etwas wollte ich haben.

Und bei manchen neuen Autos wird, damit das vordere Standlicht/Tagfahrlicht den Blinker nicht überstrahlt, dieses Licht beim Blinken rechts bzw. links abgeschaltet. So etwas wollte ich auch haben.

Hier ist eine PDF
mit allen Bildern:

warnblinkparklicht-sapo-pdf.pdf
Hier ist ein Video mit den Bildern
und zusätzlich aus der Tiefgarage:

warnblinkparklicht-sapo-video.mp4



Hier ist der Link
zum Arduino-Sketch
.ino - Datei





Bitte zum Vergrößern auf die Bilder klicken
warnblinkparklicht-sapo-b_001k.jpg warnblinkparklicht-sapo-b_002k.jpgwarnblinkparklicht-sapo-b_003k.jpg warnblinkparklicht-sapo-b_004k.jpgwarnblinkparklicht-sapo-b_005k.jpg warnblinkparklicht-sapo-b_006k.jpgwarnblinkparklicht-sapo-b_007k.jpg warnblinkparklicht-sapo-b_008k.jpgwarnblinkparklicht-sapo-b_009k.jpg warnblinkparklicht-sapo-b_010k.jpgwarnblinkparklicht-sapo-b_011k.jpg warnblinkparklicht-sapo-b_012k.jpgwarnblinkparklicht-sapo-b_013k.jpg warnblinkparklicht-sapo-b_014k.jpgwarnblinkparklicht-sapo-b_015k.jpg
warnblinkparklicht-sapo-b_016k.jpgwarnblinkparklicht-sapo-b_017k.jpg warnblinkparklicht-sapo-b_018k.jpg
warnblinkparklicht-sapo-b_019k.jpgwarnblinkparklicht-sapo-b_020k.jpg warnblinkparklicht-sapo-b_021k.jpgwarnblinkparklicht-sapo-b_022k.jpg

Zurück zur Hauptseite
Autor und Hinweise