Deutsche Übersetzung von Paul R.,
dem ich an dieser Stelle nochmals herzlich danke!
Umrüstung des ZAZ 968 auf
Scheibenbremsen
Es war schon
lange der Wunsch da, den ZAZ 968 auf Scheibenbremsen und
dementsprechend auf Felgen mit üblicher Befestigung und moderneren
Reifen umzurüsten. Wir haben beschlossen 14 Zoll Felgen mit Reifen
185/65 R 14 zu verwenden:


Die
größten Bremsscheiben, die mit diesen Rädern passen, sind 260 mm
Scheiben. Wir haben belüftete Scheiben vom WAZ 2112 genommen:


Die
vorderen Bremssattel stammen ebenfalls vom WAZ 2112:

Die
hinteren Bremsscheiben haben wir vom WAZ 2108 genommen, die Bremssattel
ebenfalls vom WAZ 2108. Bei den Bremsklötzen hatten wir die Wahl
zwischen den Fabrikaten von Ferrodo und ATE. Wir nahmen ATE Teile:

Bei
dem Umbau wurden die vorderen ZAZ Stoßdämpfer durch Gasdruckstoßdämpfer
der St. Petersburger Firma Plaza ersetzt (MB W 123, Hinterachse). Weil
diese Stoßdämpfer keinen Federteller haben, wurde in das Rohr eine Nut
für den Federring eingesägt:

Es
wurde ein Federteller angefertigt, der mit einem zweiteiligen Ring an
dem Stoßdämpfer befestigt wird. Weil die Stoßdämpferaufnahmen größer
sind, als der Rohrdurchmesser, lässt sich der Federteller nicht anders
am Stoßdämpfer befestigen:

So
sieht der vordere Stoßdämpfer, zusammengebaut mit der Feder aus:


An
der Hinterachse wurden auch Plaza Gasdruckstoßdämpfer vom ZAZ 1102
Tavria verwendet. An diesen Stoßdämpfern wurde die Nut für den
Federring um 40 mm nach oben versetzt. Das wurde gemacht, dass die
breitere Reifen Platz haben und zur Erhöhung der Bodenfreiheit. Der
Wagen wird dabei hinten nicht zu hoch. Nach diesem Umbau hat man 250 mm
Bodenfreiheit unter der Vorderachse:

An
der Vorderachse werden die ZAZ Achsschenkel und Radlager mit einer
angepassten WAZ 2101 � 207 Radnabe verwendet. Die WAZ Radnabe wird
innen passend zu den ZAZ Radlagern ausgedreht und der Lagerabstand
verringert:


Bei
der so umgebauten WAZ Radnabe ist der Lagerabstand immer noch größer
als beim ZAZ, dabei ist der Lagersitz für das äußere Radlager auf dem
Achsschenkel zu kurz. Um den Lagersitz zu verlängern wird auf das
Gewinde eine Mutter mit nicht ganz durchgeschnittenem Gewinde
aufgeschraubt (das ergibt einen festen Sitz) und danach auf das Maß des
Achsschenkels abgedreht (Markiert mit rotem Pfeil):

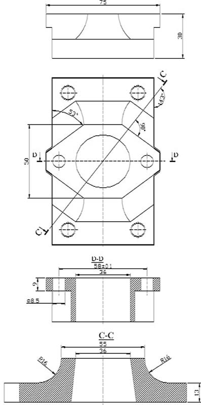
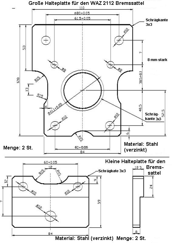
Die
Halteplatten für den Bremssattel werden an den Halterungen für die
Bremsankerplatten Befestigt die man vorher plan drehen muss, dass sie
auf gleicher Höhe liegen:




So
sieht es montiert am Auto aus:

Das
gleiche aus einer größeren Entfernung:

Montierte
Radnabe, das erste Distanzstück, Bremsscheibe und das zweite
Distanzstück:


Sicht
von oben:

Um
den erforderlichen Einschlag der Räder zu gewährleisten, mussten wir
die Radien der Spurstangen etwas aufbiegen:

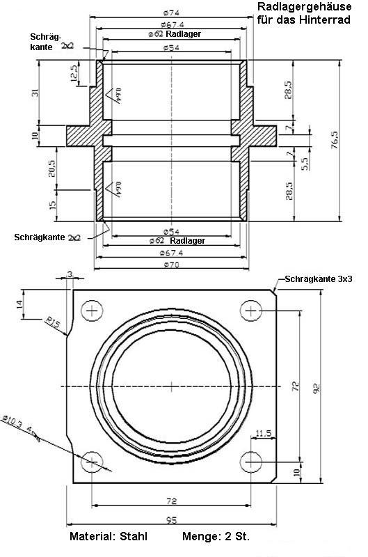
Für
die hinteren Radlager wurden neue Lagergehäusen gedreht, die sich von
den ZAZ Lagergehäusen nur durch einen um die Stärke der Halteplatte für
den Bremssattel versetzten Flansch unterscheiden. Die Halteplatte für
den Bremssattel wird zwischen das Radlagergehäuse und den Lenkerarm der
Radaufhängung geklemmt:


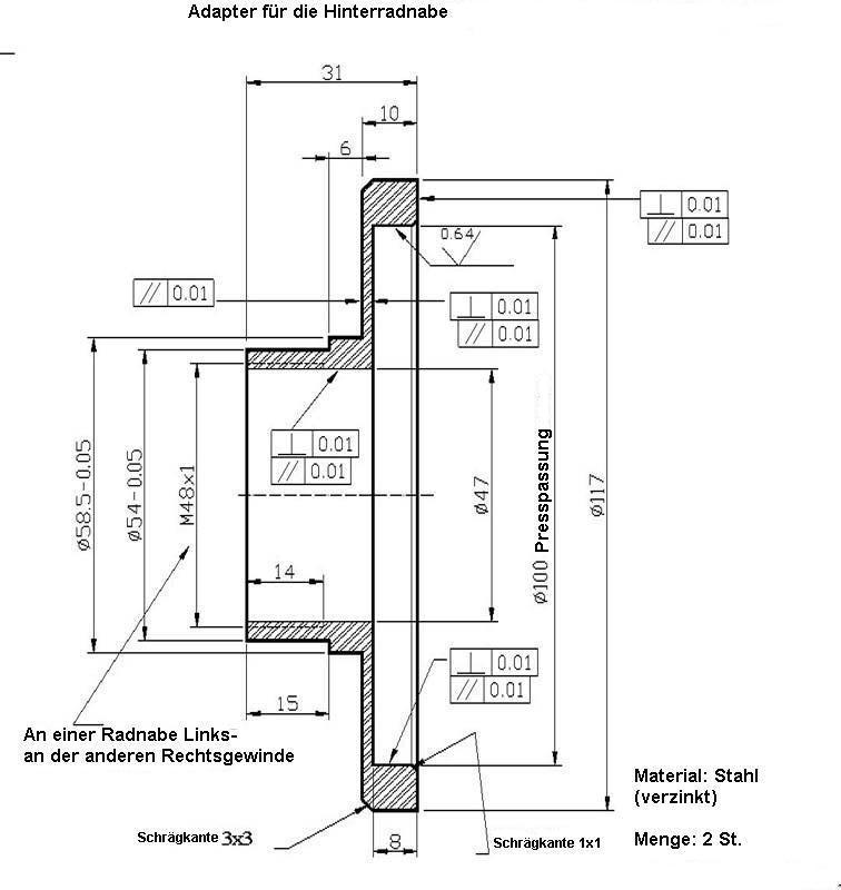
Als
Grundlage für die hintere Radnabe haben wir die originale ZAZ Nabe
genommen, auf die ein Adapter draufgepresst wird. Hier braucht man
keinerlei Distanzstücke. Nur an der Bremsscheibe wurde die Anlagefläche
zur Radfelge auf eine Stärke von 6 mm abgedreht:


Sicht
auf den montierten hinteren Bremssattel:

Fertig
montierte Hinterradbremse:


Nach
den beschriebenen Umbauarbeiten passten die Räder 185/65 R 14 in die
hinteren Radläufe, ohne dass man sie aufbiegen musste. Beim voll
beladenen Auto war zwischen dem Reifen und dem Lenker der Radaufhängung
auf einer Seite und der Radlaufkante von der anderen Seite noch jeweils
5 mm Abstand.
Die Aluminiumbremsleitungen wurden durch Kupferleitungen ersetzt. Der
ZAZ Hauptbremszylinder wurde durch einen WAZ 2108 Hauptbremszylinder
von ATE ersetzt. Das erforderte eine Menge Arbeit, aber der Unterschied
ist mehr als spürbar.
Die Handbremse bekommt eine Hydraulische Betätigung, diese Arbeit ist
aber noch nicht fertig.
Die umgebaute Bremsanlage kann man mit der originalen nicht
vergleichen. Sie lasst sich viel besser dosieren, die Pedalkräfte sind
auch ohne Bremskraftverstärker um einiges geringer. Die ersten Tests
wurden noch mit dem originalen ZAZ Hauptbremszylinder durchgeführt,
aber die Hinterradbremsen funktionieren mit dem WAZ 2108
Hauptbremszylinder viel besser.
Die ungefederten Massen haben sich nach dem Umbau an der Vorderachse
weniger als um 1 kg und an der Hinterachse um etwa 2 kg erhöht.
Nach dem Umbau muss die Vorderachse neu eingestellt werden (Sturz und
Vorspur).
Paul R. hat noch eine weitere Seite
zum Umbau auf Scheibenbremsen gefunden.
Hier ist seine
Übersetzung:
Beschreibung
der Umrüstung des ZAZ auf Scheibenbremsen.
(Übersetzung aus dem Russischen von der
Seite: http://siminel.nm.ru/)
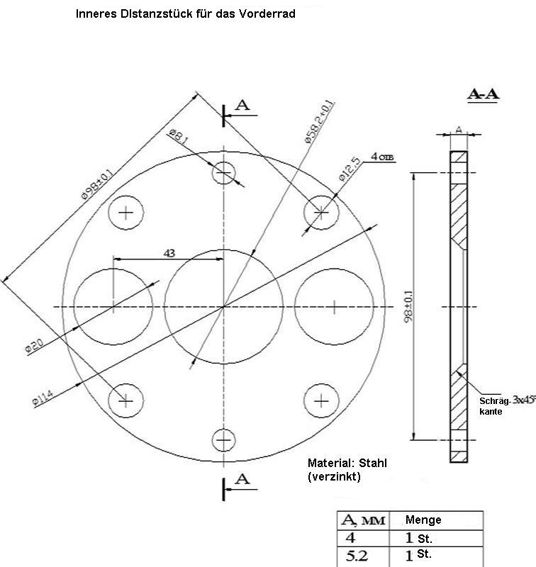
Die innere Distanzstücke
(siehe Prostav2.) kommen zwischen die Nabe und die Bremsscheibe um die
Bremsscheibe in der Mitte des Bremssattels zu platzieren. Bei mir haben
sie eine unterschiedliche Stärke, wegen der �hochpräzisen� Bearbeitung
der Teile im �Kommunar� Werk. Es kann sein dass diese Maße für jedes
Auto individuell sein werden. Ich habe zwei fabrikneue vordere
Achsschenkel gekauft, wahrscheinlich aus unterschiedlichen
Herstellungspartien, aber die unterscheiden sich genau auf dieses Maß
(die Radnaben wurden dagegen ganz gleich bearbeitet). Also muss man bei
dem Umbau damit rechnen, dass man mehrere Teile erst direkt an Stelle
anpassen muss. Zum Beispiel, passte die Bremssattelhalteplatte links
(die untere auf der Zeichnung Supor1_1) ganz genau (nach diesem
Achsschenkel wurden die Zeichnungen angefertigt), rechts musste, aber
eine 1,5 mm starke Scheibe unterlegt werden, so etwas wird bei dieser
Arbeit öfters vorkommen. Ein Teil der Maßen, die ich erst an Stelle,
beim Anpassen ermitteln konnte, sind in den Zeichnungen mit einem
Fragezeichen versehen, es kann sein, dass bei jedem Auto andere
Korrekturen notwendig sein werden. Also seid (leise fluchend über das
�Kommunar� Werk), bereit auf Mehrarbeit beim Anpassen.
Aus gleichen Gründen sind in
den Zeichnungen für die Halteplatten der hinteren Bremssattel keine
Bohrungen eingezeichnet. Beim Anpassen mussten an den Hinterachslenkern
Angusse und Unebenheiten entfernt werden, dass man den Bremssattel so
tief wie möglich am Lenkerarm montieren konnte. Der Bremssattel sollte
so nah wie möglich am Lenkerarm platziert werden, dazu muss man die
Halteplatte an der Stelle anpassen (dabei aufpassen, dass die
Staubschutzmanschette vom Bremszylinder im Betrieb nicht mit dem
Lenkerarm und der Halteplatte in Berührung kommt). Mir ist es, wegen
der Stärke des Lenkerarmes, nicht gelungen, die gesamte Fläche der
hinteren Bremsscheibe auszunutzen. Ein Streifen von ca. 6 mm auf der
Innenseite der Scheibenfläche blieb von den Bremsklötzen unerreichbar,
es sind etwa 7% der Gesamtfläche der Scheibe. Der Bremssattel muss so
tief wie möglich platziert sein, sonst passen eventuell die 13 Zoll
Felgen nicht mehr. Bei mir ist zwischen dem Bremssattel und der 14 Zoll
Felge ein Abstand von 5 � 7mm geblieben (Allerdings habe ich Felgen mit
einer großen Einpresstiefe, bei einer kleineren Einpresstiefe kann es
anders aussehen). Bei Verwendung von 13 Zoll Rädern muss man es
ausprobieren, ich habe es nicht versucht.
Alle Distanzstücke sind für
Felgen mit einer Einpresstiefe +38 und der Große 185/65 R 14 ausgelegt.
Bei Verwendung anderer Bremssattel oder Felgen muss die Stärke der
Distanzstücken neu angepasst werden.
An den Achsschenkeln muss
unbedingt der Lagersitz für das äußere Radlager verbreitet werden. Dazu
wird auf das Gewinde am Achsschenkelzapfen eine 8 mm breite Mutter
aufgeschraubt und danach auf das erforderliche Maß abgedreht. Um einen
festen Sitz der Mutter auf dem Zapfen zu erreichen wird das
Innengewinde der Mutter nicht auf die ganze Tiefe angeschnitten (nur
mit dm ersten Gewindebohrer).
Alle Schrauben (außer der
Radbolzen) werden im Öl gehärtet bis 35 HRC. Die Schraubenmuttern
werden nicht gehärtet. Sie haben extra so eine seltsame Form, dass man
sie nach der Montage einfach sichern kann, ohne Splinten oder ähnlichem
Zeug. Nach dem alles zusammengebaut ist macht man eine ausführliche
Probefahrt, und wenn alles richtig funktioniert, zieht man alle
Schrauben noch mal nach und sichert sie. Zur Sicherung schlägt man den
Rand an der Mutter mit einem stumpfen Meisel in eine Nut in der
Schraube. Das ist eine sichere und bewehrte Methode.
Geschweißt werden bei diesem
Umbau nur die Radbolzen an die Radnaben. Dabei ist zu beachten, dass
die von mir verwendeten Naben aus Grauguss sind, der sich schlecht
schweißen lässt. Ich habe dazu Edelstahlelektroden verwendet. Mit
diesen Elektroden ist es aber schwer eine saubere Naht hinzukriegen,
man muss sehr aufpassen, dass man das Material nicht überhitzt und,
dass es gleichzeitig auch richtig angeschweißt wird, vor allem wenn man
Felgen verwendet wie ich, mit einem Lochkreis 100 mm (und nicht 98 mm
wie bei WAZ und anderen). Nach dem ich mich mit dem Umbau der Naben
herumgeschlagen habe, steht für mich fest: beim nächsten Mal werde ich
die vordere Naben komplett neu aus Stahl anfertigen lassen. Die
Konstruktion und die Maße wären dabei identisch, nur der Lochkreis für
die Radbolzen an die entsprechenden Felgen angepasst. Man braucht nur
die Maßen ändern, um ohne Distanzstücke auszukommen und die Radbolzen
richtig sichern zu können, z.B. wie bei VW. Die vordere Radnabe ist ja
kein kompliziertes Bauteil, nur viel Dreharbeit bei einem Rohling aus
Stahl.
Vor dem Zusammenpressen der
hinteren Radnabe sollte man sie abdrehen und außen eine Schrägkante
drehen, dass sie vollständig auf den Adapter pressen lässt (siehe
StupBac5). Das komplizierte Fertigungsverfahren einer Innenverzahnung
diktierte die Verwendung der originalen Hinterradnabe. Das ist
natürlich nicht die ideale Variante, aber diese Konstruktion arbeitet
bis jetzt zuverlässig. Auf jeden Fall ist ihre Zuverlässigkeit nicht
schlechter, als die serienmäßige Verzahnung der Antriebswelle mit der
Radnabe. Die serienmäßige Hinterradnabe ist aus Stahl, deshalb kann man
hier die Radbolzen mit einfachen Elektroden anschweißen.
Das Lagergehäuse für das
Hinterradlager hat einen um 7 mm versetzten Flansch, dass man den
Kotflügel nicht verbreiten braucht. Das ist alles, was ihn von dem
originalen Lagergehäuse unterscheidet, im anderen ist er mit dem
serienmäßigen identisch. Als Beschichtung des Lagergehäuses sollte man
etwas außer dem Verzinken wählen, weil nach dem Verzinken, es Probleme
mit dem Einbau der Radlager geben kann. Wenn die Kotflügel verbreitet
sind, oder man von dieser Arbeit nicht scheut, auch wenn schmalere
Reifen verwendet werden, kann man die serienmäßigen Lagergehäuse
beibehalten. Dabei muss man beachten, dass in dem Fall das Rad um 7 mm
nach außen wandert.
An den vorderen Bremsscheiben
wurde nichts geändert. An den hinteren Bremsscheiben wurde die Fläche,
an die die Felge anliegt, um 2 mm abgedreht (Dabei achten, dass die
Flächen plan bleiben). An der gleichen Fläche sind zwei 8 mm Bohrungen
mit Senkungen angebracht, um die Scheibe an der Nabe mit M8
Senkkopfschrauben befestigen (dass sie beim demontierten Rad am Platz
bleibt). Die vordere Bremsscheibe wird auch mit M8 Schrauben an der
Nabe befestigt, aber die Senkungen sind da in dem äußeren Abstandstück.
Weil wir größere und breitere
Räder verwendeten, wurde der Einschlagwinkel der Vorderräder zu klein.
Um den notwendigen Einschlag zu erreichen haben wir die Spurstangen ein
bisschen aufgebogen. Die maximale Biegung betrug 28 mm, wir haben sie
auf 15 mm zurück gebogen, damit erreichten wir den notwendigen
Einschlag der Räder. Wie es sich herausgestellt hat, werden die
Spurstangen aus ziemlich weichem Stahl hergestellt, deshalb vertragen
sie diese Bearbeitung, ohne ihre Steifigkeit zu verlieren. Aufbiegen
muss man die Spurstangen im kalten Zustand mit einer Presse, nicht mit
Hammerschlägen. Bei Verwendung 13 Zoll Rädern braucht man die
Spurstangen vielleicht nicht biegen.
Die Nut für den Sicherungsring
im Stoßdämpfergehäuse habe ich mit der Eisensäge auf die Tiefe von 0,75
mm eingesägt. Wen man die Möglichkeit hat, kann man es auch auf einer
Drehbank machen, dabei muss man den Stoßdämpfer nach einer Messuhr in
die Drehbank spannen. Dabei muss man sehr vorsichtig sein, weil die
Wandstärke des Außenrohrs des Stoßdämpfers nur 2 mm beträgt. Die Nut
muss so tief sein, dass der Federteller einen festen Sitz auf dem
Stoßdämpfer hat.
Montage des Hauptbremszylinders WAZ 2108 am ZAZ 968.
Es wird dringend empfohlen ein
Produkt von ATE zu verwenden.
Der WAZ 2108
Hauptbremszylinder hat einen anderen Flansch, in dem die Löcher um 90°
zu dem ZAZ Flansch versetzt sind. In der Zeichnung BrakeMan2 ist es
dargestellt, wie man die Halterung ändern muss. Der Haltebügel der
Pedale (in der Zeichnung BrakeMan3- blau) musste auch geändert werden.
Auf der rechten Seite (gesehen vom Kofferraum aus) wurde an diesen
Bügel am Flansch an dem der Hauptbremszylinder befestigt wird, ein
Flacheisen angeschweißt (In der Zeichnung- rot). Den zu großen Flansch
am WAZ 2108 Hauptbremszylinder muss man oben und unten zurechtsägen
(Siehe Zeichnung BrakeMan2), sonst passt er nicht. Die an die
Karosserie angeschweißte Halterung (in der Zeichnung- grün) des
Hauptbremszylinders wurde durch ein U-förmiges Blech verstärkt (in der
Zeichnung- gelb), das unter die Verschraubung des Hauptbremszylinders
geklemmt wird, wenn man will kann man sie auch an die Karosserie
anschweißen. Natürlich müssen in der Verstärkung auch Löcher für die
Schrauben und Bremsleitung gebohrt werden. Den Abstand rechts, zwischen
dem angeschweißten (rot in der Zeichnung) Flacheisen und dem
Hauptbremszylinder sollte man mit einer Scheibe ausfüllen.
Dass man die Bremsleitungen
mit dem Adapter am neuen Bremszylinder montieren kann muss man die
Halterung (grün in der Zeichnung) rechts etwas aufbiegen. Mit dem neuen
(WAZ 2108) Bremszylinder sollte auch der dazu gehörige Behälter
verwendet werden. Das Loch für en ZAZ Bremsflüssigkeitsbehälter sollte
verschlossen werden. Von den beiden Druckschaltern die am ZAZ
Hauptbremszylinder montiert waren, haben wir nur einen, in der rechten
Bohrung für den hinteren Bremskreis montiert.
Bei den anschließenden
Bremsproben kamen wir zu folgenden Ergebnissen:
Bremsweg aus 80 km/h- 25-28 m
Bremsweg aus 100 km/h- 38-
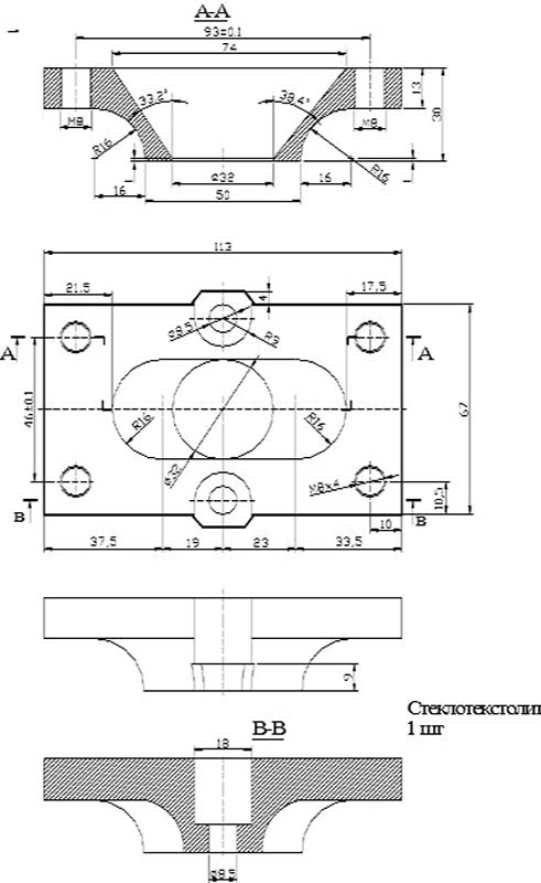
Hier sind die Zeichnungen zu der
zweiten Umbauanleitung auf Scheibenbremsen:
Den
gesamten Text gibt es mit den Fotos ( ohne Zeichnungen ) auch als
Word-Dokument hier zum Herunterladen: scheibenbremsensaporoshez.doc
1,2 MB